| Availability: | |
|---|---|
This is our first order from the Germany customer. The product is quite simple, the head is hexagonal and laser engraving the numbers, and below it is a bolt with inner thread. The material is 6061-T6, a very commonly used material. Here is the picture of the parts:

The material is used the 6061-T6 aluminum alloy. Aluminum alloy is a widely used light metal material with good comprehensive performance, aluminum alloy is easy to be processed by CNC turning, milling, drilling, and can achieve high precision and smooth surface finish for custom parts.
It is simple and easy to work, here is the picture of the bolt drawings:

Since this is the first collaboration, the client needs to produce samples first. After the samples were approved, we began to produce the mass production. Firstly, we bought the hexagon rod material to process this rough parts. Below is our raw material:

Then the material was cut into pieces and machined into the specific shape:

After that, the rough parts were sent for tapping the thread.

Finally the bolts were sent for laser engraving the numbers.
Each batch of goods is strictly checked for dimensional accuracy and surface quality before shipment, ensuring meet with all quality standards and tolerance specifications.

These custom CNC machining bolts were packed in bulk and put into the box, sent by express.
The customer was very satisfied with the goods, , which laid the foundation for future continuous cooperation. Ningbo Joyo Metal Product always takes great care to serve every customer. For simple machining parts, we offer free sample-making services, striving to create more convenient and high-quality cooperation experience for all our customers.
This is our first order from the Germany customer. The product is quite simple, the head is hexagonal and laser engraving the numbers, and below it is a bolt with inner thread. The material is 6061-T6, a very commonly used material. Here is the picture of the parts:

The material is used the 6061-T6 aluminum alloy. Aluminum alloy is a widely used light metal material with good comprehensive performance, aluminum alloy is easy to be processed by CNC turning, milling, drilling, and can achieve high precision and smooth surface finish for custom parts.
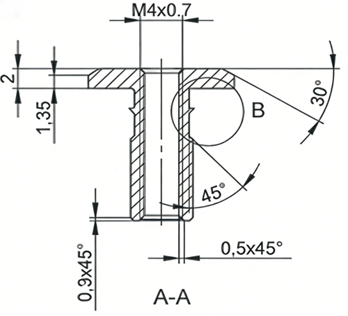
It is simple and easy to work, here is the picture of the bolt drawings:

Since this is the first collaboration, the client needs to produce samples first. After the samples were approved, we began to produce the mass production. Firstly, we bought the hexagon rod material to process this rough parts. Below is our raw material:

Then the material was cut into pieces and machined into the specific shape:

After that, the rough parts were sent for tapping the thread.

Finally the bolts were sent for laser engraving the numbers.
Each batch of goods is strictly checked for dimensional accuracy and surface quality before shipment, ensuring meet with all quality standards and tolerance specifications.

These custom CNC machining bolts were packed in bulk and put into the box, sent by express.
The customer was very satisfied with the goods, , which laid the foundation for future continuous cooperation. Ningbo Joyo Metal Product always takes great care to serve every customer. For simple machining parts, we offer free sample-making services, striving to create more convenient and high-quality cooperation experience for all our customers.
content is empty!