| Availability: | |
|---|---|
This trapezoidal threaded shaft is used in the motor controller of our wheelchair, which requires high precision.
It's made from the 304 stainless steel material by CNC machinine process.
Primary Material: 304 stainless steel for trapezoidal threaded shaft, CuZn39Pb3 for bushing
Properties: excellent corrosion resistance, good mechanical properties, easy processing and formability
Preparation: Cut the stainless steel rod into pieces.
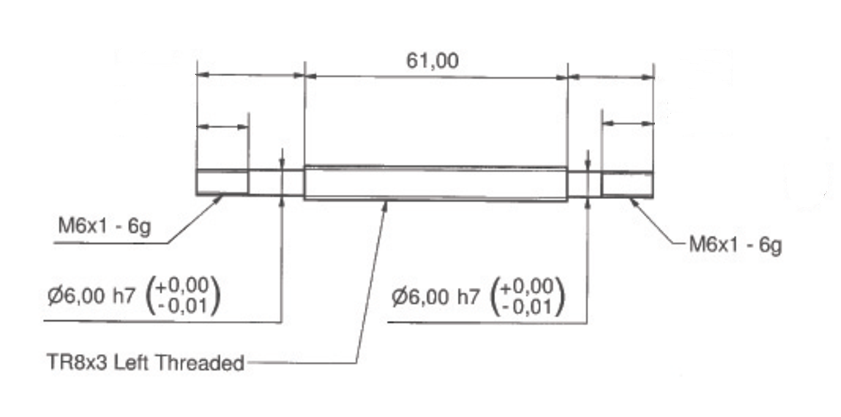
Here is the sketch of the shaft:

The product is very thin, with an outer diameter of only 8mm and a length of 106mm.
The material is standard 304 stainless steel, a material we are highly specialized in processing, although it is prone to sticking to the knife.
To process this slender product, a locating hole must be drilled in one section, as shown in the image. This allows for a live center to maintain concentricity and maintain stable dimensional tolerances.

The processing of the live center is as shown in the figure below:

The CNC lathes we currently use are very precise. They can turn the outer diameter to a tolerance of 6-0.01mm at once. Then we turn the left-handed trapezoidal thread TR8x3 in the middle, and then roll the threads at both ends after completion.
Shaft: Trapezoidal threaded
Bushing: Left-handed trapezoidal threaded hole
Overall design: The thread rotates very smoothly when assembled.
| Parts | Material | Process |
| Shaft | 304 stainless steel | CNC machining |
| Bushing | CuZn39Pb3 | CNC turning |
The video shows how to assemblye:
This case shows our extensive experience in processing trapezoidal threads, both left-hand and right-hand.
Ningbo Joyo Metal Products Co., Ltd. also maintain exceptional precision to 0.01mm.
Customers can definitly trust us with the level of precision.
This trapezoidal threaded shaft is used in the motor controller of our wheelchair, which requires high precision.
It's made from the 304 stainless steel material by CNC machinine process.
Primary Material: 304 stainless steel for trapezoidal threaded shaft, CuZn39Pb3 for bushing
Properties: excellent corrosion resistance, good mechanical properties, easy processing and formability
Preparation: Cut the stainless steel rod into pieces.
Here is the sketch of the shaft:

The product is very thin, with an outer diameter of only 8mm and a length of 106mm.
The material is standard 304 stainless steel, a material we are highly specialized in processing, although it is prone to sticking to the knife.
To process this slender product, a locating hole must be drilled in one section, as shown in the image. This allows for a live center to maintain concentricity and maintain stable dimensional tolerances.

The processing of the live center is as shown in the figure below:

The CNC lathes we currently use are very precise. They can turn the outer diameter to a tolerance of 6-0.01mm at once. Then we turn the left-handed trapezoidal thread TR8x3 in the middle, and then roll the threads at both ends after completion.
Shaft: Trapezoidal threaded
Bushing: Left-handed trapezoidal threaded hole
Overall design: The thread rotates very smoothly when assembled.
| Parts | Material | Process |
| Shaft | 304 stainless steel | CNC machining |
| Bushing | CuZn39Pb3 | CNC turning |
The video shows how to assemblye:
This case shows our extensive experience in processing trapezoidal threads, both left-hand and right-hand.
Ningbo Joyo Metal Products Co., Ltd. also maintain exceptional precision to 0.01mm.
Customers can definitly trust us with the level of precision.
content is empty!